Sign In | Join Free | My ecer.com.ru
China Zhuzhou Mingri Cemented Carbide Co., Ltd. logo
Zhuzhou Mingri Cemented Carbide Co., Ltd.
Zhuzhou Mingri Cemented Carbide Co., Ltd. PRIVATE PROFESSIONAL TAILOR AT YOUR DISPOSAL,SEE THE SUBTLE ESSENCE IN DETAILS
Verified Supplier

11 Years

Home > Carbide Brazed Tips >

YM6X Tungsten Carbide Brazed Tips Blades YT5 / P30 Model D

Zhuzhou Mingri Cemented Carbide Co., Ltd.
Trust Seal
Verified Supplier
Credit Check
Supplier Assessment
Contact Now

YM6X Tungsten Carbide Brazed Tips Blades YT5 / P30 Model D

Brand Name : Rixin

Model Number : Model C

Certification : ISO9001:2008

Place of Origin : CHINA

MOQ : 10KG

Price : $ 45.00-65.00USD per kilogram

Payment Terms : L/C, T/T

Supply Ability : 30 tons per month

Delivery Time : 7-20 days depending on the quantity

Packaging Details : Packed in carton firstly,and then reinforced with wooden case for outer packing.

Material : Tungsten Carbide, Cobalt

Product Name : Welding Blades Model D

Application : Cutting tools

Size : Standard

Grade : YT5/P30 ,K05-K20,P10-P30

Hardness : 90.5 HRA

T.R.S : 2200 MPa

Density : 12.9 g/cm³

Contact Now

YM6X Tungsten Carbide Brazed Tips Blades YT5 / P30 Model D

Description:
1, Used for steel, stainless steel, cast steel and cast iron cutting and processing.
2, Good toughness
3, Superior wear resistance & high strength
4, A comprehensive range of types with molds
5, Short deliver period,with some types always in stock
6, Full-automatic press machine,which brings stable quality and high efficiency


Specifications:


YM6X Tungsten Carbide Brazed Tips Blades YT5 / P30 Model D

YM6X Tungsten Carbide Brazed Tips Blades YT5 / P30 Model D

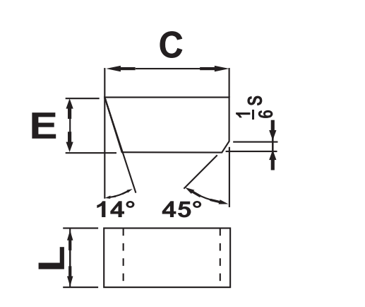
Type Dunit:mm
TypeDimensions (mm)
LtS
D33.583
D44.5104
D55.5125
D66.5146
D88.5168
D1010.51810
D1212.52012

Applications:

Grade

ISO

Code

DensityHardnessT.R.SApplications recommended
g/cm3HRAMPa
YM3K0515.1921400Suitable for finishing of cast iron and nonferrous metal.
YM6XK1014.9591.51800

The finishing & semi-finishing of cast iron and nonferrous metals
and also for the machining of manganese steel and hardening steel.

YM6K1514.9590.51900

Suitable for the roughing of cast iron and light alloys
and also for the milling of cast iron and low-alloy steel.

YM8K2014.889.52200
YW1M1013.191.61600

Suitable for finishing and semi-finishing of stainless
steel and conventional alloy steel.

YW2M201390.61800

The grade can be used for the semi-finishing of stainless steel
and low-alloy steel and it is mainly used for the machining of
railway wheel hubs.

YT15P1011.491.51600

Suitable for the finishing and semi-finishing for steel and
cast steel with a moderate feed rate and rather high cutting speed.

YT14P2011.690.81700Suitable for the finishing and semi-finishing of steel and cast steel.
YT5P3012.990.52200

Suitable for the heavy duty rough turning of and cast
steel with a big feed rate at a medium and low speed
under unfavorable working conditions.























Product Tags:

brazing carbide tips

      

brazed carbide tools

      
China YM6X Tungsten Carbide Brazed Tips Blades YT5 / P30 Model D wholesale

YM6X Tungsten Carbide Brazed Tips Blades YT5 / P30 Model D Images

Inquiry Cart 0
Send your message to this supplier
 
*From:
*To: Zhuzhou Mingri Cemented Carbide Co., Ltd.
*Subject:
*Message:
Characters Remaining: (0/3000)